Был такой зеленый глазок – показывал уровень записи у магнитофона, еще катушечного. 6Е2П только не 3.
Добавлю в часы на цифровых лампах, из советских газоразрядных индикаторов. Часы и термометр или еще чего придумаю, или отдельный блок приемник. индикатор настройки на станцию или измеритель расстояния с двумя ультразвуковыми датчиками, вольтметр может для батарей или фонариков, заряд аккумулятора от солнечной панели. Просто закупился на Митино лампами, неоновые цифровые ИН-14 ин-16 ин-8-2 и еще декатроны. Коробку ИН-1 привезли из Чип и Дип еще, пригодится. : 6Е3П прислали из Китая.. Декатрон может показывать маятник светящейся точкой – или секунды, только его надо раз в минуту прожигать включая все штырьки быстро, так же как и ИНки.
вот схема для усилителя или колонки – показывает звуковой сигнал. Просто и довольно красиво.
Radiotech modding labs
радиотехника моддинг винтажная электроника —————— Vintage Electronicрадиотехника-моддинг-винтажная электроника-Vintage Electronic-киберпанк
понедельник, 15 января 2018 г.
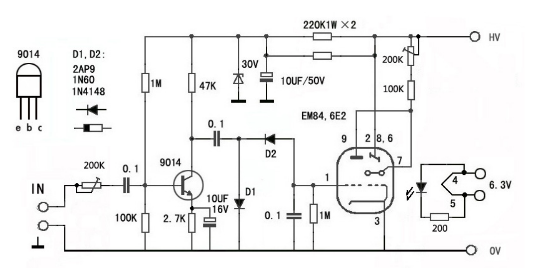
Индикатор уровня сигнала на 6е3п
Схемы индикаторов уровня сигнала на 6е3п


Эти лампы великолепно вписываются в любой усилитель как индикатор уровня сигнала, бодро моргая в такт музыке манящим бирюзовым цветом.
Лампа внутри имеет 2 полоски которые при увеличении сигнала также увеличиваются двигаясь друг другу на встречу.

Чтоб индикаторы служили Вам долго, лучше использовать анодное напряжение и напряжение накала немного пониженое.
Анод – 180-230 вольтНакал – вместо штатных 6.3, лучше 6 вольт.
Зарубежные аналоги нашей лампы 6Е3П это EM84, EM87,6E2. В этой статье приведу несколько схем на этом индикаторе.
Схема с подсветкой светодиодом и подстройкой уровня по входу.

Индикатор подключен в схеме лампового усилителя

6е3п характеристики цоколевка


Автор: Сергей на понедельник, января 15, 2018Ярлыки: 6е3п, индикатор уровня сигнала, EM84
| Действия: |
ЛАМПОВЫЕ ЧАСЫ НА ГАЗОРАЗРЯДНЫХ ИНДИКАТОРАХ v2.0
Сейчас на просторах интернета можно очень часто увидеть интересные часы на старых индикаторах 70-80х годов и популярность их все больше и больше растет из-за необычного винтажного вида и красивого свечения. Для этих часов используют разнообразные газоразрядные индикаторы.
Здесь я опишу свой второй проект ламповых часов.

Nixie Mullard clock
Порывшись на просторах интернета по теме ламповых часов я быстро нашел для себя исходники для проекта. Часы сделаны на распространенном микроконтроллере pic16f84a , индикаторы подобрал красного цвета ZM1080 MULLARD из великой Британии .


Эта лампочка весьма популярна не только в Англии , в европе ее выпускали многие производители
Как вы видите ламп с сокетом B13D выпускалось много .
B570M, F9080B, F9080BA, TAF1093A, TAF1317A, TAU7030, Z5700M, Z570M, Z5730M, Z573M, Z5740M, Z574M, ZM1082, ZM1134, ZM1135, ZM1136A, ZM1136L, ZM1136R, ZM1138A, ZM1138L, ZM1138R
Схема ламповых часов

Схема всем хороша , но есть одно неприятное но, анодные ключи здесь на оптронах и при дин.индикации они дают засветку на соседние разряды .Поэтому не наступайте на эти грабли как я а делайте на транзисторных анодных ключах как указано в схеме ниже.
Я же сделал чтоб попробовать и посмотреть насколько сильно присутствует засветка и есть ли возможность исправить с оптронами, а также по тому что на транзисторных ключах я уже делал другой проект но об этом позже.

Платы часов сделаны в виде бутерброда из 2х плат , плата индикаторов и плата контроллера и блока питания .



Собрав сие чудо я получил забавные циФИРЪ на индикаторах ,оказалось воткнул не тот кварц ,поставил 32.768 вместо 3.2768 Mhz

Поменяв кварц все встало на свои места часики ожили и отлично ходят .

На схеме указана микросхема 74141 это полный аналог нашей микросхемы К155ИД1 .

Индикаторы zm1080 на плате , на разделительную точку хорошо подошел индикатор ИН-3
Далее пошла сборка в корпус платы установлены на стоечки нужного размера. Для корпуса использовал подходящую жестяную коробку от сувенира Промсвязьбанка .По размерам отлично подошла.Сверлить крупные отверстия в жестянке нужно аккуратно ! Чтоб не порвать края лучше зажать в струбцинах жесть между двумя листами оргалита или фанеры , а потом спокойно сверлить.


Корпус сверлим собираем. Гнездо адаптера залил термоклеем изнутри чтоб не болталось.Снаружи сделал накладку из латуни .Сверху сделал накладку под бронзу.



В нижней части сделал отверстия для стоек плат .

Ножки нашел резиновые (чтоб часы не скользили по столу) от старой аппаратуры уже с отверстиями .

Собираем , вдох-выдох подключаем ! ура работают ! Настраиваем время и наслаждаемся винтажным девайсом – все часы готовы !


По опциям , в часах есть только настройка минут и часов. В сети есть море часов с разными опциями , дата ,термометр , подсветка и.т.д я считаю ,что это все лишнее , т.к. первые часы на таких индикаторах в те времена и были с минимальными настройками .В ламповых устройствах чем меньше деталей тем оно надежнее .
Ночной вид часов .

Отправить по электронной почтеНаписать об этом в блогеОпубликовать в TwitterОпубликовать в FacebookПоделиться в Pinterest
1 комментарий:
Nikolaev_Nikolay7/25/2019 9:13 AMСообщите ссылку на исходники прошивки pic контроллера.Ответить
*прошивки если нет точно от этих – можно поправить похожую под эти платы. Вариантов с исходным кодом много, возьмите который в веб директории с подсветкой rgb светодиодами, его взяли китайцы и в Шеньжене переделали на stm8 – малышка и дешевле да и быстрее раз в 10. там схема немножко сложнее зато не мерцает – индикация статическая но надо 6 штук ИД1 – сейчас не проблема из в 2020 много сделали в Минске.
- еще очень большая тема на форумах radiokot и elektroda.pl вот например – украинцы так вообще без перевода читают а нам по 2 раза на слово посмотреть и тоже понятно. Чешч это привет. Считываем нараз. Есть русская версия или яндекс перевод.
- Home page
- /
- Forum elektroda.pl
- /
- DIY Structures
- /
- Zegar nixie z motywem mahoniowo-mosiężnym (lampy IN-12)
Zegar nixie z motywem mahoniowo-mosiężnym (lampy IN-12)
mopsiok 12 Feb 2015 21:12 16338 24Reply | New topic
- Positive voted Helpful post? (+119)#1 12 Feb 2015 21:12
Cześć!
Pewnie część czytelników jest już znużona ilością tematów o zegarach nixie, ale nic nie poradzę na to, że ja także poddałem się magii tych cudownych wyświetlaczy minionej epoki.
Mogę tylko uspokoić, że jest to moja autorska konstrukcja, a nie kalka istniejącego projektu. Zdaję sobie jednak sprawę, że w temacie sterowania lampami wymyślono już praktycznie wszystko, więc część opisu chciałbym poświęcić na inne zagadnienia – obudowę, komunikację, bootloader… ale nie wszystko naraz. Zapraszam do lektury.
Początki, założenia
- самоделки собирала девушка 13 лет, только просила меня проверить некоторые детальки диоды там в той ли полярности и нет ли обрывов замыканий. С готовой платой конечно. С паяльником надо дружить пригодится.
