Туристические маршруты
Всякие разности
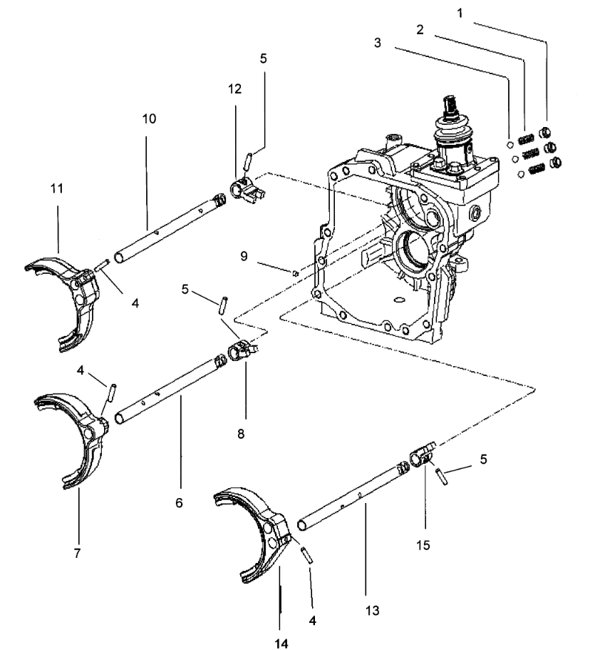
Эта штука надежная, первый раз снимал после пробега в 180 000 км, и то - посмотреть подшипники, после того, как оказалось, подевалось куда то половина масла. Вообще то, ремонт не требовался. Долил сначала масла, а потом - при плановом ремонте сцепления - второй раз всего за весь пробег, решил поменять опорный подшипник. Роликовый, он между первичным валом и главным, вторичным. Там, наощупь, как мне показалось, был небольшой люфт, смещалась в стороны передняя часть первичного вала - всего на пол- милиметра. ( После замены подшипника на новый - оказалось, что так и должно быть, это не является неисправностью, там зазор около 0.3 - 0.5 мм. ) Показываю руководство примерно 2008 года, Уаз Патриот. Уточнение - машина 2011 считается, покупал в 2012, модель можно сказать переходная, limited с кондиционером и Гур. Потом, с 2014 года, машина сильно поменялась, коробка с бензиновыми моторами та же. ( Gearbox Dymos made in Korea for UAZ 2011 ) Кроме ступицы коленвала из пищевой нержавейки Aisi - не смог ее снять через 12 лет никаким съемником, пришлось аккуратно надпилить фланец полотном ножовки и забить туда наконечник от отвертки ударной, и просверлить 5 мм сначала всю ступицу - зато она сейчас разрезная получилась, Снимается небольшим съемником, все равно там шпонка и очень кондовый болт 16 мм, поменялись и парочку деталей в коробке передач. Теперь вместо одного или двух шариков фиксатора ( штоков в основном корпусе коробки, не в колоколе) - стоят вроде бы 2 штифта. Вот такие - Плунжер блокировочный 5-ступ DYMOS 43484Т00400 Запчасти автомобильные Партномер (артикул производителя) 3163-00-1702108-00 Сейчас попробую кусочек картинки добавить, где они ставятся (2 штуки) . С 2011 года вроде. Первый - на штоке заднего хода и 5 передачи, вроде бы, что бы случайно не включить 3 и 5 передачу сразу. ( включаем передачи плавно, но не очень медленно, и как можно четче, пятую - вывести в положении нейтраль вправо до упора - и вверх, а не вниз, вниз - задний ход. Обязательно с выжатым сцеплением. Да я несколько раз ездил со сломаной вилкой, и включал без выжимания сцепления, по звуку оборотов мотора, при не установленом плунжере блокировки - это может привести к серьезной аварии - колеса заблокируются и машину может занести на скорости а то и перевернуть, и еще сзади кто-нибудь врежется.. Лучше - вызвать эвакуатор.. ) Первый ставится при смещении заднего подшипника внутрь, сняв датчик заднего хода, подшипник надо подвинуть с помощью бородка 10 мм и кувалды 3 кг, очень осторожно, ударами не сильными по внешнему кольцу, при снятых Всех стопорных кольцах, конечно, и при раздвинутых половинках коробки. Она должна быть - переключатель, в положении нейтраль. (а то разбирать, и менять сухари синхронизатора, искать или ставить новые 3 пружинки и 3 шарика, под кольцом включения 3 - 4 передачи. (Оно первое за первичным валом коробки, у наконечника основного вала - вторичного. Название всех четырех валов есть в автокаталоге.) Подшипник вдвигается внутрь меньше, чем на сантиметр, плунжер достается, например, с помощью отверточки и магнита. вот ссылка на каталог - https://uazbuka.ru/lib/gearbox_dymos/Catalogue_DYMOS.pdf вот эта деталька под номером 9 на этой страничке - а в другом каталоге - 91 Вторая деталька ставится - как на картинке, она на средний шток, это включение 3 и 4 передачи. Инструкция по разборке и сборке (Автомата Калашникова ) не, коробки для УАЗ Патриот полностью, год примерно с 2008 , а может 2005 - Коробка передач Dymos ремонт


здесь - скрытая часть сайта доступ платный
hidden area pay money
<iframe src="https://www.google.com/maps/d/u/0/embed?mid=1QkBDoIdUxxwS6TPXbn_VRYQXHIJMzI0&ehbc=2E312F" width="640" height="480"></iframe>
- Кондуки
- Романцево
- Епифань
- Старица
- Таруса
- юг Подмосковья
Крымская поездка 2004 еще в Украину. Турецкие 3 или 4 экскурсии за несколько лет. Черногория Будва. Записи интересные, у нас хорошая техника видеокамера с приближением в 140 раз, зеркалка фото - одна правда навернулась в пещере. Россия и Украина, еще если найду Болгарские экскурсии с 2002 - 2003. Вот в этом клипе который здесь есть восхождение на гору аю-даг по южной тропинке, и небольшой привал уже на северной стороне. С видом на поселок Гурзуф и лагерь Артек. Посмотрите что это возможно, хоть там очень крутой склон, больше 45 градусов и высокий 530 метров. А сейчас все в мобильник только забираются а лагерь Артек подключается по удаленке.. неа, одна прорвалась туда. Доступ на личный раздел на первой страничке.
[624/637] Extracting highway-1.0.7: 100%
[625/637] Upgrading gpu-firmware-intel-kmod-kabylake from 20230210_1 to 20230625...
[625/637] Extracting gpu-firmware-intel-kmod-kabylake-20230625: 100%
[626/637] Upgrading colord-gtk from 0.3.0_1 to 0.3.0_2...
[626/637] Extracting colord-gtk-0.3.0_2: 100%
[627/637] Reinstalling avr-binutils-2.40_4,1...
[627/637] Extracting avr-binutils-2.40_4,1: 100%
[628/637] Upgrading gpu-firmware-amd-kmod-vega12 from 20230210 to 20230625...
[628/637] Extracting gpu-firmware-amd-kmod-vega12-20230625: 100%
[629/637] Upgrading gtkmm30 from 3.24.2_3 to 3.24.2_4...
[629/637] Extracting gtkmm30-3.24.2_4: 100%
[630/637] Upgrading gnome-connections from 42.1.2_2 to 42.1.2_3...
[630/637] Extracting gnome-connections-42.1.2_3: 100%
[631/637] Upgrading php81-tokenizer from 8.1.20 to 8.1.27...
[631/637] Extracting php81-tokenizer-8.1.27: 100%
[632/637] Upgrading qt5-networkauth from 5.15.8p0 to 5.15.12p0...
[632/637] Extracting qt5-networkauth-5.15.12p0: 100%
[633/637] Upgrading p5-File-Listing from 6.15 to 6.16...
[633/637] Extracting p5-File-Listing-6.16: 100%
[634/637] Upgrading ruby31-gems from 3.4.13 to 3.4.20...
[634/637] Extracting ruby31-gems-3.4.20: 100%
[635/637] Upgrading orca from 43.1_2 to 43.1_3...
[635/637] Extracting orca-43.1_3: 100%
[636/637] Upgrading fluidsynth from 2.3.3 to 2.3.4...
[636/637] Extracting fluidsynth-2.3.4: 100%
==> Running trigger: gdk-pixbuf-query-loaders.ucl
Generating gdk-pixbuf modules cache
==> Running trigger: glib-schemas.ucl
Compiling glib schemas
==> Running trigger: gtk-update-icon-cache.ucl
Generating GTK icon cache for /usr/local/share/icons/HighContrast
Generating GTK icon cache for /usr/local/share/icons/hicolor
Generating GTK icon cache for /usr/local/share/icons/Adwaita
==> Running trigger: desktop-file-utils.ucl
Building cache database of MIME types
==> Running trigger: fontconfig.ucl
Running fc-cache to build fontconfig cache...
==> Running trigger: gio-modules.ucl
Generating GIO modules cache
==> Running trigger: shared-mime-info.ucl
Building the Shared MIME-Info database cache
You may need to manually remove /usr/local/etc/php-fpm.conf if it is no longer needed.
=====
Message from php81-8.1.27:
--
===> NOTICE:
This port is deprecated; you may wish to reconsider installing it:
Upstream EOL reaches on 2024-11-25.
It is scheduled to be removed on or after 2024-11-26.
=====
Message from postgresql15-client-15.5:
--
The PostgreSQL port has a collection of "side orders":
postgresql-docs
For all of the html documentation
p5-Pg
A perl5 API for client access to PostgreSQL databases.
postgresql-tcltk
If you want tcl/tk client support.
postgresql-jdbc
For Java JDBC support.
postgresql-odbc
For client access from unix applications using ODBC as access
method. Not needed to access unix PostgreSQL servers from Win32
using ODBC. See below.
ruby-postgres, py-psycopg2
For client access to PostgreSQL databases using the ruby & python
languages.
postgresql-plperl, postgresql-pltcl & postgresql-plruby
For using perl5, tcl & ruby as procedural languages.
postgresql-contrib
Lots of contributed utilities, postgresql functions and
datatypes. There you find pg_standby, pgcrypto and many other cool
things.
etc...
=====
Message from alsa-plugins-1.2.7.1:
--
===> NOTICE:
The alsa-plugins port currently does not have a maintainer. As a result, it is
more likely to have unresolved issues, not be up-to-date, or even be removed in
the future. To volunteer to maintain this port, please create an issue at:
https://bugs.freebsd.org/bugzilla
More information about port maintainership is available at:
https://docs.freebsd.org/en/articles/contributing/#ports-contributing
=====
Message from php81-zlib-8.1.27:
--
===> NOTICE:
This port is deprecated; you may wish to reconsider installing it:
Upstream EOL reaches on 2024-11-25.
It is scheduled to be removed on or after 2024-11-26.
=====
Message from php81-mbstring-8.1.27:
--
===> NOTICE:
This port is deprecated; you may wish to reconsider installing it:
Upstream EOL reaches on 2024-11-25.
It is scheduled to be removed on or after 2024-11-26.
=====
Message from php81-bz2-8.1.27:
--
===> NOTICE:
This port is deprecated; you may wish to reconsider installing it:
Upstream EOL reaches on 2024-11-25.
It is scheduled to be removed on or after 2024-11-26.
=====
Message from php81-gd-8.1.27:
--
===> NOTICE:
This port is deprecated; you may wish to reconsider installing it:
Upstream EOL reaches on 2024-11-25.
It is scheduled to be removed on or after 2024-11-26.
=====
Message from php81-xml-8.1.27:
--
===> NOTICE:
This port is deprecated; you may wish to reconsider installing it:
Upstream EOL reaches on 2024-11-25.
It is scheduled to be removed on or after 2024-11-26.
=====
Message from php81-iconv-8.1.27:
--
===> NOTICE:
This port is deprecated; you may wish to reconsider installing it:
Upstream EOL reaches on 2024-11-25.
It is scheduled to be removed on or after 2024-11-26.
You may need to manually remove /usr/local/etc/freetds/freetds.conf if it is no longer needed.
=====
Message from php81-zip-8.1.27:
--
===> NOTICE:
This port is deprecated; you may wish to reconsider installing it:
Upstream EOL reaches on 2024-11-25.
It is scheduled to be removed on or after 2024-11-26.
=====
Message from php81-mysqli-8.1.27:
--
===> NOTICE:
This port is deprecated; you may wish to reconsider installing it:
Upstream EOL reaches on 2024-11-25.
It is scheduled to be removed on or after 2024-11-26.
=====
Message from py39-urllib3-1.26.18,1:
--
Since version 1.25 HTTPS connections are now verified by default which is done
via "cert_reqs = 'CERT_REQUIRED'". While certificate verification can be
disabled via "cert_reqs = 'CERT_NONE'", it's highly recommended to leave it on.
Various consumers of net/py-urllib3 already have implemented routines that
either explicitly enable or disable HTTPS certificate verification (e.g. via
configuration settings, CLI arguments, etc.).
Yet it may happen that there are still some consumers which don't explicitly
enable/disable certificate verification for HTTPS connections which could then
lead to errors (as is often the case with self-signed certificates).
In case of an error one should try first to temporarily disable certificate
verification of the problematic urllib3 consumer to see if that approach will
remedy the issue.
=====
Message from py27-cython-0.29.37:
--
===> NOTICE:
This port is deprecated; you may wish to reconsider installing it:
Uses Python 2.7 which is EOLed upstream.
=====
Message from php81-curl-8.1.27:
--
===> NOTICE:
This port is deprecated; you may wish to reconsider installing it:
Upstream EOL reaches on 2024-11-25.
It is scheduled to be removed on or after 2024-11-26.
=====
Message from php81-opcache-8.1.27:
--
===> NOTICE:
This port is deprecated; you may wish to reconsider installing it:
Upstream EOL reaches on 2024-11-25.
It is scheduled to be removed on or after 2024-11-26.
=====
Message from php81-ftp-8.1.27:
--
===> NOTICE:
This port is deprecated; you may wish to reconsider installing it:
Upstream EOL reaches on 2024-11-25.
It is scheduled to be removed on or after 2024-11-26.
=====
Message from imlib2-1.7.0_1,2:
--
===> NOTICE:
The imlib2 port currently does not have a maintainer. As a result, it is
more likely to have unresolved issues, not be up-to-date, or even be removed in
the future. To volunteer to maintain this port, please create an issue at:
https://bugs.freebsd.org/bugzilla
More information about port maintainership is available at:
https://docs.freebsd.org/en/articles/contributing/#ports-contributing
You may need to manually remove /usr/local/etc/kyua/kyua.conf if it is no longer needed.
=====
Message from libbs2b-3.1.0_8:
--
===> NOTICE:
The libbs2b port currently does not have a maintainer. As a result, it is
more likely to have unresolved issues, not be up-to-date, or even be removed in
the future. To volunteer to maintain this port, please create an issue at:
https://bugs.freebsd.org/bugzilla
More information about port maintainership is available at:
https://docs.freebsd.org/en/articles/contributing/#ports-contributing
=====
Message from lilv-0.24.22:
--
===> NOTICE:
The lilv port currently does not have a maintainer. As a result, it is
more likely to have unresolved issues, not be up-to-date, or even be removed in
the future. To volunteer to maintain this port, please create an issue at:
https://bugs.freebsd.org/bugzilla
More information about port maintainership is available at:
https://docs.freebsd.org/en/articles/contributing/#ports-contributing
You may need to manually remove /usr/local/www/phpMyAdmin/config.inc.php if it is no longer needed.
=====
Message from php81-fileinfo-8.1.27:
--
===> NOTICE:
This port is deprecated; you may wish to reconsider installing it:
Upstream EOL reaches on 2024-11-25.
It is scheduled to be removed on or after 2024-11-26.
=====
Message from php81-sodium-8.1.27:
--
===> NOTICE:
This port is deprecated; you may wish to reconsider installing it:
Upstream EOL reaches on 2024-11-25.
It is scheduled to be removed on or after 2024-11-26.
=====
Message from py27-tkinter-2.7.18_7:
--
===> NOTICE:
This port is deprecated; you may wish to reconsider installing it:
Uses Python 2.7 which is EOLed upstream.
=====
Message from openvpn-2.6.8_1:
--
Note that OpenVPN now configures a separate user and group "openvpn",
which should be used instead of the NFS user "nobody"
when an unprivileged user account is desired.
It is advisable to review existing configuration files and
to consider adding/changing user openvpn and group openvpn.
=====
Message from monero-cli-0.18.3.1_1:
--
===> NOTICE:
The monero-cli port currently does not have a maintainer. As a result, it is
more likely to have unresolved issues, not be up-to-date, or even be removed in
the future. To volunteer to maintain this port, please create an issue at:
https://bugs.freebsd.org/bugzilla
More information about port maintainership is available at:
https://docs.freebsd.org/en/articles/contributing/#ports-contributing
=====
Message from sekrit-twc-zimg-3.0.5:
--
===> NOTICE:
The sekrit-twc-zimg port currently does not have a maintainer. As a result, it is
more likely to have unresolved issues, not be up-to-date, or even be removed in
the future. To volunteer to maintain this port, please create an issue at:
https://bugs.freebsd.org/bugzilla
More information about port maintainership is available at:
https://docs.freebsd.org/en/articles/contributing/#ports-contributing
You may need to manually remove /usr/local/etc/nginx/fastcgi_params if it is no longer needed.
You may need to manually remove /usr/local/etc/nginx/mime.types if it is no longer needed.
You may need to manually remove /usr/local/etc/nginx/nginx.conf if it is no longer needed.
=====
Message from gsm-1.0.22:
--
===> NOTICE:
The gsm port currently does not have a maintainer. As a result, it is
more likely to have unresolved issues, not be up-to-date, or even be removed in
the future. To volunteer to maintain this port, please create an issue at:
https://bugs.freebsd.org/bugzilla
More information about port maintainership is available at:
https://docs.freebsd.org/en/articles/contributing/#ports-contributing
=====
Message from php81-exif-8.1.27:
--
===> NOTICE:
This port is deprecated; you may wish to reconsider installing it:
Upstream EOL reaches on 2024-11-25.
It is scheduled to be removed on or after 2024-11-26.
=====
Message from php81-tokenizer-8.1.27:
--
===> NOTICE:
This port is deprecated; you may wish to reconsider installing it:
Upstream EOL reaches on 2024-11-25.
It is scheduled to be removed on or after 2024-11-26.
root@pc1ibm:~ #
графика. вычисления - opencl . веб сервер с php redis mysql engine x .. криптовалюта monero в пакетах и портах для системы freebsd
переход на 14 версию с января 2024.
система запускается сразу в графический интерфейс, новые пакеты gnome4 xwayland ? сервер управляется дистанционно по Microsoft протоколу удаленного доступа,
то есть без дополнительных программ можно с Windows 11 ноутбука.
поддерживает серверные платы на одном - или более - процессорах Xeon. вот эта сборка работает на 32 ядерном и 3200 - 3800 частотой процессоре, сделаном в Воронеже,
а может в Рязани. Можно теперь не говорить - что это на Тайване собрали, а то секрет пока .. был. (конечно, Китайский в 3 раза дешевле пока, но - в нем тоньше золотые ниточки и он легче на пол грамма)
Операционная система применяется в банках, операторах платежей и в крипте тоже, и даже военными. Надежность позволяет.
Первые варианты - Berkeley Unix были еще в 1980-х
если Вы это видите - значит чиним, что то сломалось.
Сайт в Интернете можно сравнить даже не с домом - его построил и заходи, а с космическим кораблем.
Надо сделать, заправить, зарядить и запустить. Да еще куда надо, а не в лужу. И тогда он запускается и выходит на связь!
[wallet 45BgaJ]: show_qr_code █▀▀▀▀▀█ ▀▄▄▀▀▄▄ ▀███ ▀ █ ▀▄ █▀▀▀▀▀█ █ ███ █ ▀ ██▀▀ ▄▄ ▀█ ▄▄▀ █ █ ███ █ █ ▀▀▀ █ ▀▄▀▄█▀▀▀█▄▀ ▀ ▄▄██▀█ █ ▀▀▀ █ ▀▀▀▀▀▀▀ █ █▄▀▄▀▄▀ ▀ ▀ ▀▄█▄█ █ ▀▀▀▀▀▀▀ ▀▀ ▀▀▄▀▄▄█▀▀█ █▀ █▀▀▄▄▄▄█▀ █▄▄▄ ▀ ▄ █ ▀ ▀█▄▀ ▀▄▄█▄█ █▀▀█▀▄▀ █ █▄▀ ▀ █ ▀▀█▀▄▄█▄▄▄▀▄█▄▄▀▄▄▀▀▄▄ ██▀ ▄ ▄█▀ ▄▀██▀▀▀ █▄▄█ ██▀ ██▄▀█▄▄ ██▄▄▄█▄▀▄██ ▀▄██ █▀ ▀█ ▀▀ ▀▀▄ █▀▀▀▄ ▄▀ █▀ ▄█▄▀ ▄ ▀▄▀█▀ ▀ █▀▄█▀ ▀▀▄ ▀▀█ ▀▀▄▀▀█▀▀ ▀ ▀█▀▀█▄▀ ▀█▀ ██▀ ▀▄██ ▀█▀▀ ██▄▄▄▄▀ ▄ ▄█▄▀▀ ▄▀▀▄▀█▀▄█ ▀ ▀▄ ▀▀ ▀▄ ▄▄ ▀ ▄▄ ▄▄▀▀ ▄▄ ▀ ▄█▄▀▄▄ █▄█ ▄▄█▄ █▀█▀▀ █▀ █▄█▀█▀▄▄▄█ ▄▀ ▀ ▀▀ █ ▄ ▀█ ▀ ▀▄█▄██ ▀ ▀ ▀▀ ██▀▀ ▀█▀▀█ ▄ ▀▀█ ██▀▀▀███▄ █▀▀▀▀▀█ ▄▀██▄ █▄ ██▄▀▄████ █ ▀ █▄ ▀ █ ███ █ █▀█▄▄█▀▄▀▄▄█▀ ▄ ▀█▀████▀▀▄▀▀ █ ▀▀▀ █ ▄▀▄██▀▀█▀▄█ █ ▄▀█▀▄█▀▄ ▀█▄▄▄█ ▀▀▀▀▀▀▀ ▀▀ ▀ ▀ ▀▀ ▀ ▀ ▀ ▀▀▀▀▀ ▀▀ ▀ [wallet 45BgaJ]: show_qr_code 1 █▀▀▀▀▀█ ▄ █ ▀█ ▄█ █▀███ ▄▄▀▄▀ █▀▀▀▀▀█ █ ███ █ ▄▄▄ █▄ ▄ ▄ ███ ▀ ▄▀▀ █ ███ █ █ ▀▀▀ █ ▄█ ▄▄ ▀▄███▀█▄▄▀▄▄██▀ █ ▀▀▀ █ ▀▀▀▀▀▀▀ ▀▄█▄▀ █ █ ▀ ▀▄▀ █ ▀ ▀ ▀▀▀▀▀▀▀ ▀▀█▀▀▄▀▀▀▀▄▀█▀█▀▀▀ █▀█▀▀▀▀▄███ ▀ ▀▄▀ ████▀█▀██ ▀▄▀▀▀▀ ▀ ██▀▄█ ▀█▄▀▀ ▀▄▀▀▀ ▀▀▄▄▄▀▀▄█▄█▀▀ ▀█▄▀ ▄█▄█▄▀▀▀▀▄▀▀▄▀▄█▄▀ █▄▄ ▄ ▀▀▀ ▄▀▄▀▄▀ ▄ █▄▄█ ▄█▀▄ █▀█▀██ █ ▄▀▀▀▄ ▄▀█▀▀▄█▄█▄█▄█▀▄ ▀█▀▄█▀▀▀▄█▀▀ ▀ ▄ ▄▀▀█▄▄▄▀ ▀█▀▀ ▀██▄█▀▄██▄▄▀▀█ ▀▀ ▄▀█ ▀█▄▄▄█▀▄▀▄█▄ ▄▀██▀ ▄▀ ▄▀█▀▀▄█▀ █ ▄▀█▄ █ ▄ █▀ █ ▄▄▄ █ ██▀▄▀ ▄▀ █▀ █ ▄▀▀ ▀█▀▄▄▄▄▄█▀▄▄▄ ▄▄▄▀ ▀▄█▀██▀█ ▀ █ ▄▀▀ ▄██▄▄▀ ██▀█▄ ▄█ ▄ ▀▀▀▄█▄ ▀▀██ ▀ ▀▀ ▀▀▀███▄ █▀▄▄ ▄▀██▀ ▀█▀█▀▀▀█▀ ▀ █▀▀▀▀▀█ ▀▄█▄ █▀▄ █▄ ██ ▄ █▄█ ▀ ██▀▀▀ █ ███ █ ██ ▄▄▀▄█▄▀▄▄▀███ ▀██████▄▀▀▀ █ ▀▀▀ █ █▄▀▄▀ ███▀ ▄▄█▀▄█ ▄▄▄███▄▀▀▀█ ▀▀▀▀▀▀▀ ▀▀▀ ▀▀▀▀▀ ▀ ▀▀ ▀ ▀ ▀▀▀▀ [wallet 45BgaJ]:

по крипте - всем завести кошелек - у кого еще нет - тоже. это сделать не сложно. сейчас обещают раздать по 1 bitcoin каждому, а мног это или мало - смотрим курсы валют.

